ул. Семашко, 10, корп. 1, Мытищи
Пн-Чт: 9:00-17:30,
Пт: 9:00-17:00
Условные обозначения

Условные обозначения

16 июля 2020
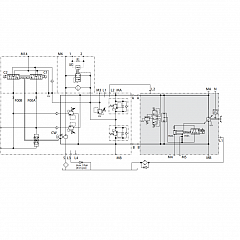
Все элементы гидропривода имеют графическое условное обозначение на гидросхеме. Большинство обозначений гидравлических элементов универсальны по всему миру и описаны в различных стандартах, CETOP/ISO за рубежом, ГОСТ 2.782-96 — в России. В статье приведены некоторые условные обозначения гидравлических агрегатов.
Подробнее
Гидростатическая трансмиссия машин

Гидростатическая трансмиссия машин

15 июля 2020
Гидростатическая трансмиссия — это гидравлический привод с закрытым (замкнутым) контуром, в состав которого водят один или несколько гидравлический насосов и моторов. В российской и советской литературе для таких гидроприводов применяется другое название — гидрообъемная передача. Наиболее частое применение гидростатической трансмиссии — привод хода машин на колёсном или гусеничном ходу — где гидропривод предназначен для передачи механической энергии от приводного двигателя к мосту, колесу или ведущей звезде гусеничной машины, посредством регулирования подачи насоса и выходной тяговой мощности за счёт регулирования гидромотора.
Подробнее
Компоненты гидростатической трансмиссии. Подпитка и управление.

Компоненты гидростатической трансмиссии. Подпитка и управление.

14 июля 2020
Насос подпитки является абсолютно необходимым компонентом гидростатической трансмиссии с замкнутым контуром. В настоящей статье перечисляются различные функции насоса подпитки, а так же приводятся соображения по выбору параметров насоса подпитки. Так же рассматривается вопрос управления расходом аксиально-поршневых гидронасосов при помощи сервоуправления.
Подробнее
Гидростатическая трансмиссия. Специальные функции.

Гидростатическая трансмиссия. Специальные функции.

12 июля 2020
В некоторых областях применения может потребоваться дополнительные компоненты контура для выполнения специальных функций. В настоящей статье обсуждаются некоторые из наиболее часто используемых компонентов, а также рекомендации и меры предосторожности по их применению.
Подробнее
Компоненты гидростатической трансмиссии. Регулирование давления.

Компоненты гидростатической трансмиссии. Регулирование давления.

11 июля 2020
В гидравлических системах с замкнутым контуром необходимо предусматривать средства регулирования или ограничения максимального давления в контуре на некотором расчетном значении. Так как срок службы гидравлических устройств при высоком давлении существенно уменьшается, срок службы устройства может быть неприемлемо короток, если давление в системе не контролируется.
Подробнее
Компоненты гидростатической трансмиссии. Охлаждение жидкости.

Компоненты гидростатической трансмиссии. Охлаждение жидкости.

10 июля 2020
Теплообменники должны обеспечивать такую теплоотдачу, которая позволяет поддерживать температуру рабочей жидкости в рекомендованных пределах. Это обычно делается путем выбора наиболее тяжелого режима непрерывной работы и с учетом всего теплообразования в трансмиссии, в условиях максимально возможной температуры окружающей среды. Для многих машин это соответствует самой высокой допустимой частоте вращения на выходе трансмиссии.
Подробнее
Компоненты гидростатической трансмиссии. Фильтрация.

Компоненты гидростатической трансмиссии. Фильтрация.

9 июля 2020
Для предотвращения преждевременного износа гидравлических компонентов, необходимо, чтобы в гидростатический контур поступала только чистая рабочая жидкость. Рекомендуется использовать фильтр, способный поддерживать чистоту рабочей жидкости в соответствии с требованиями ISO 18/13 или лучше, который может быть расположен либо на впускной (фильтрация на всасывающей магистрали) или выпускной (фильтрация на нагнетающей магистрали) линии подпитывающего насоса. Все выпускаемые Danfoss насосы могут использоваться с фильтром на всасывающей магистрали, и некоторые могут быть оборудованы адаптерами для установки фильтра на нагнетающей магистрали.
Подробнее
Компоненты гидростатической трансмиссии. Гидробак и трубопроводы.

Компоненты гидростатической трансмиссии. Гидробак и трубопроводы.

8 июля 2020
Наличие в гидравлической системе гидробака способствует удалению воздуха из системы и охлаждению рабочей жидкости. Из гидробака также поступает подпитывающая жидкость при изменении суммарного объема включенных в гидравлический контур устройств, связанного со сжатием или расширением рабочей жидкости, возможным изменением расхода через гидроцилиндры, и незначительными утечками.
Подробнее
Неисправности гидравлического привода

Неисправности гидравлического привода

7 июля 2020
Неисправности в гидравлическом приводе могут возникать по ряду причин. Правильный запуск и приработка имеют первостепенное значение для обеспечения последующей длительной бесперебойной работы гидропривода. Часто многие системы, особенно насосы, выходят из строя всего через несколько часов работы, другие — через несколько минут, а все из-за того, что были пропущены самые элементарные операции. К примеру, из-за невнимания к правилам чистоты до и во время запуска. Кроме того, во время приработки все движущиеся части будут создавать частицы продуктов износа. Поэтому важно не нагружать систему полностью до тех пор, пока вся эта грязь не будет отфильтрована.
Подробнее
Неисправности гидравлического рулевого управления

Неисправности гидравлического рулевого управления

6 июля 2020
Регулярный осмотр гидросистемы экономически более выгоден, чем ремонт при выходе из строя. При выходе из строя, вместо того чтобы проверить неисправный элемент, нужно проверять всю систему. В статье представлены ускоренные методы тестирования рулевых систем для малогабаритных и более крупных транспортных средств с автоматическими системами управления.
Подробнее

Мы обрабатываем cookies, чтобы сделать наш сайт удобнее и персонализированное для вас. Подробнее: политика использования cookies